ESTACA LOGÍSTICA


ESTACA LOG CALIBRE 14 X 96” (2.44M) MOD. EL-14-8
ESTACA LOG CALIBRE 14 X 110.25” (2.80M) MOD. EL-14-9.3
ESTACA LOG CALIBRE 14 X 120” (3.05M) MOD. EL14-10
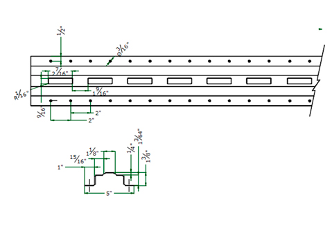
RIEL LOGÍSTICO CAL. 14


ESTAPA LOG CALIBRE 16 X 107.5
MOD. ETL
TAPA LOGÍSTICA


TAPA LOGISTICA MOD. TL-01
TAPA LOGISTCA S/PERF MOD. TL-SP
FUNCIÓN TAPA LOGÍSTICA


